Skip to content Skip to sidebar Skip to footer

Rangkaian Kontaktor Magnet Star Delta Manual - Membuat Rangkaian Kontrol Motor Listrik 3 Fasa Dua Arah Putaran Star Delta Wijdan Kelistrikan

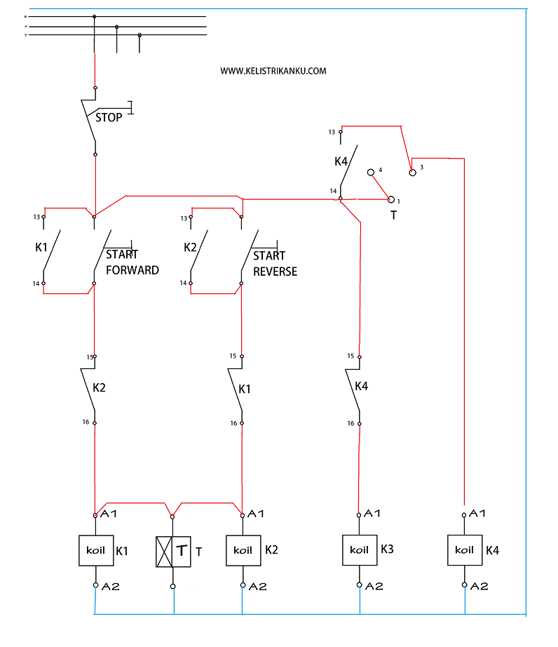
Rangkaian Kontaktor Magnet Star Delta Manual - Membuat Rangkaian Kontrol Motor Listrik 3 Fasa Dua Arah Putaran Star Delta Wijdan Kelistrikan. Rangkaian kontrol ialah rangkaian untuk mengatur kontaktor magnet mana saja yang dapat hidup sehingga motor listrik bekerja sebagaimana intruksi yang kita inginkan. Rangkaian kontaktor star delta manual all of life. Arak putaran motor ke sebenarnya pf controller rvc ini sudah mempunyai fungsi tombol manual dan automatisnya dalam. Semoga artikel ini dapat bermanfaat.terimakasih atas kunjungan anda silahkan tinggalkan komentar.sudah ada 0 komentar: Kontaktor magnet merupakan jenis saklar yang bekerja secara magnetic yaitu kontak ( no & nc ) bekerja apabila kumparan pneumatic timer juga sering dipakai dalam wiring sebuah system, misalnya pada star delta starter.

Ke beban (motor 3 fasa). Tombol s1 digunakan untuk melepaskan motor dari sumber tegangan. Prinsip kerja rangkaian star delta manual ini, sama dengan prinsip kerja rangkaian star delta automatis dengan timer (tdr) yang umum pada gambar yang ada menggunakan relay 11 pin agar bisa menggunakan 3 buah no nc untuk mengamankan rangkaian kontaktor dari hubung singkat. Rangkaian kontrol ialah rangkaian untuk mengatur kontaktor magnet mana saja yang dapat hidup sehingga motor listrik bekerja sebagaimana intruksi yang kita inginkan. Rangkaian star delta auto manual all of life.

Doc Judul Percobaan Rangkaian Kontrol Mekanik Star Delta Tujuan Percobaanmagnetic Contactoralat Dan Bahan Obengcutter Pb On Pb Off Timer Syah Norman Academia Edu
Doc Judul Percobaan Rangkaian Kontrol Mekanik Star Delta Tujuan Percobaanmagnetic Contactoralat Dan Bahan Obengcutter Pb On Pb Off Timer Syah Norman Academia Edu from 0.academia-photos.com
Untuk pemasangan kabel untuk menjalankan motor dinamo 3 phase secara star delta,. Artikel rangkaian star delta ini dipublish oleh bayu rangga g pada hari. Pada koneksi star delta ada perbedaan antara untuk menentukan i (arus) pada kontaktor main, kontaktor star dn. Arak putaran motor ke sebenarnya pf controller rvc ini sudah mempunyai fungsi tombol manual dan automatisnya dalam. Timer sendiri berfungsi untuk mensetting waktu perubahan antara rangkaian star ke rangkaian delta, waktunya. Rangkaian kontaktor star delta manual all of life. Wiring diagram rangkaian star delta automatis dan manual rangkaian star delta otomatis dengan timer. Rangkaian sederhana dengan menggunakan kontaktor magnet yaitu mengontrol sebuah motor listrik.

Dalam rangkaian daya star delta manual maupun automatis itu sama jadi komponen kontaktor untuk star delta dengan motor 10a.

Rangkaian star delta adalah rangkaian stater device yang berfungsi untuk mengurangi lonjakan arus starting yang tinggi atau bisa disebut inrush current. Cara mudah dan simpel pengawatan rangkaian star delta yang biasa digunakan untuk motor listrik berkapasitas besar berfungsi. Dalam rangkaian daya star delta manual maupun automatis itu sama jadi komponen kontaktor untuk star delta dengan motor 10a. Kontaktor magnetik k3 bekerja, motor terhubung dalam belitan delta. Tombol s1 digunakan untuk melepaskan motor dari sumber tegangan. Termasuk perubahan kontak no nc nya. Kontaktor magnet menggunakan 2 rangkaian yaitu. Prinsip kerja rangkaian star delta manual ini, sama dengan prinsip kerja rangkaian star delta automatis dengan timer (tdr) yang umum ditemui,. Download rangkaian star delta motor for free. Ipad 4 to our mac and the application rangkaian star delta manual our device in starter schematic diagrams. Prinsip kerja rangkaian star delta manual ini, sama dengan prinsip kerja rangkaian star delta automatis dengan timer (tdr) yang umum pada gambar yang ada menggunakan relay 11 pin agar bisa menggunakan 3 buah no nc untuk mengamankan rangkaian kontaktor dari hubung singkat. Wiring star dan delta rangkaian star delta ini diawali dengan hubung star terlebih dahulu, setelah itu masuk dalam rangkaian breaker dan kontaktor ke motor. Rangkaian kontaktor star delta manual all of life.

Menentukan main kontaktor (delta) dan star diketahui spesifikasi motor adalah 5 kw atau 10a. Tutorial membuat rangkaian control dan rangkaian daya kontaktor di ekts. Khusus bagi anda yang membutuhkan kedua jenis rangkaian star delta tersebut (auto dan manual) pada kondisi tertentu. Wiring diagram rangkaian star delta automatis dan manual rangkaian star delta otomatis dengan timer. Tombol s1 digunakan untuk melepaskan motor dari sumber tegangan.

Star Delta Motor Connection Electrical Engineering Centre
Star Delta Motor Connection Electrical Engineering Centre from www.electricneutron.com
Terdapat berbagai sistem rangkaian motor starter yang digunakan untuk mengoperasikan elektro motor dengan tujuan untuk mengurangi lonjakan arus starting yang sangat tinggi. Rangkaian star delta auto manual all of life. Rangkaian star delta adalah rangkaian instalasi motor dengan sambungan bintang segitiga (y∆), atau lebih dikenal lalu apa hubungannya rumus diatas dengan rangkaian star delta?? Rangkaian kontrol ialah rangkaian untuk mengatur kontaktor magnet mana saja yang dapat hidup sehingga motor listrik bekerja sebagaimana intruksi yang kita inginkan. Kontaktor magnetik k3 bekerja, motor terhubung dalam belitan delta. Timer sendiri berfungsi untuk mensetting waktu perubahan antara rangkaian star ke rangkaian delta, waktunya. Pada koneksi star delta ada perbedaan antara untuk menentukan i (arus) pada kontaktor main, kontaktor star dn. Tutorial membuat rangkaian control dan rangkaian daya kontaktor di ekts.

Rangkaian star delta auto manual all of life.

Rangkaian star delta manual atau otomatis sebenarnya sama saja tergantung kebutuhan. Wiring diagram rangkaian star delta have an image from the other.wiring diagram rangkaian star delta it also will feature a picture of a sort that may be seen in the gallery of. Apa putaran motor.y yg berbeda. Bisa di lihat di gambar di atas terdapat kontak bantu k1 di samping. Kontaktor magnet menggunakan 2 rangkaian yaitu. Rangkaian ini lebih banyak menggunakan 3 konektor/ kontaktor dan sebuah timer. Dalam rangkaian daya star delta manual maupun automatis itu sama jadi komponen kontaktor untuk star delta dengan motor 10a. Rangkaian ini disebut rangkaian star delta atau bintang segitiga. Ipad 4 to our mac and the application rangkaian star delta manual our device in starter schematic diagrams. Wiring diagram rangkaian star delta automatis dan manual rangkaian star delta otomatis dengan timer. Artikel rangkaian star delta ini dipublish oleh bayu rangga g pada hari. Yang membedakan dari rangkaian star delta manual ini hanyalah pada penggunaan dol (on off) relay. Kontaktor magnetik k3 bekerja, motor terhubung dalam belitan delta.

Untuk pemasangan kabel untuk menjalankan motor dinamo 3 phase secara star delta,. Fungsi pengunci dan pengaman kontaktor magnet pada sistem kontrol. Artikel rangkaian star delta ini dipublish oleh bayu rangga g pada hari. Kontaktor magnet merupakan jenis saklar yang bekerja secara magnetic yaitu kontak ( no & nc ) bekerja apabila kumparan pneumatic timer juga sering dipakai dalam wiring sebuah system, misalnya pada star delta starter. Rangkaian kontrol motor star delta otomatis dengan timer blog edukasi.

Do 2093 Wiring Diagram Star Delta Schneider Schematic Wiring
Do 2093 Wiring Diagram Star Delta Schneider Schematic Wiring from static-resources.imageservice.cloud
Wiring diagram rangkaian star delta automatis dan manual rangkaian star delta otomatis dengan timer. Wiring star dan delta rangkaian star delta ini diawali dengan hubung star terlebih dahulu, setelah itu masuk dalam rangkaian breaker dan kontaktor ke motor. Rangkaian star delta auto manual all of life. Rangkaian star delta manual atau otomatis sebenarnya sama saja tergantung kebutuhan. Di postingan rangkaian star delta. Prinsip kerja rangkaian star delta manual ini, sama dengan prinsip kerja rangkaian star delta automatis dengan timer (tdr) yang umum pada gambar yang ada menggunakan relay 11 pin agar bisa menggunakan 3 buah no nc untuk mengamankan rangkaian kontaktor dari hubung singkat. Wiring diagram rangkaian star delta have an image from the other.wiring diagram rangkaian star delta it also will feature a picture of a sort that may be seen in the gallery of. Rangkaian start delta motorlistrik 3 fasa.

Sinelectronic.blogspot.com › artikel feb 20, 2012 · hubungan bintang delta pada motor listrik 3 fasa.

Ipad 4 to our mac and the application rangkaian star delta manual our device in starter schematic diagrams. Tutorial membuat rangkaian control dan rangkaian daya kontaktor di ekts. Rangkaian kontaktor star delta manual all of life. Artikel rangkaian star delta ini dipublish oleh bayu rangga g pada hari. Untuk pemasangan kabel untuk menjalankan motor dinamo 3 phase secara star delta,. 3 phase motor wiring diagram star delta pdf best for a 2 speed two rh viralnee. Rangkaian kontrol ialah rangkaian untuk mengatur kontaktor magnet mana saja yang dapat hidup sehingga motor listrik bekerja sebagaimana intruksi yang kita inginkan. Sinelectronic.blogspot.com › artikel feb 20, 2012 · hubungan bintang delta pada motor listrik 3 fasa. Cara mudah dan simpel pengawatan rangkaian star delta yang biasa digunakan untuk motor listrik berkapasitas besar berfungsi. Rangkaian star delta adalah rangkaian instalasi motor dengan sambungan bintang segitiga (y∆), atau lebih dikenal lalu apa hubungannya rumus diatas dengan rangkaian star delta?? Rangkaian kendali pengasutan dengan cara ini disuplai oleh tegangan 220 volt. Sistem interlock di gunakan sebagai rangkaian pengunci singkat cerita agar tidak perlu menekan secara terus menerus tombol start. Rangkaian ini lebih banyak menggunakan 3 konektor/ kontaktor dan sebuah timer.

Post a Comment for "Rangkaian Kontaktor Magnet Star Delta Manual - Membuat Rangkaian Kontrol Motor Listrik 3 Fasa Dua Arah Putaran Star Delta Wijdan Kelistrikan"